Wind And Snow Resistance Certification Artificial Ficus Tree

Price Negotiable
MOQ 1
Delivery Time Negotiable
Brand HAIHONG
Place of Origin Guangdong, China
Packaging Details WOODEN FRAME,IRON FRAME OR CARTON
Payment Terms L/C, T/T, Western Union, MoneyGram, MoneyGram
Supply Ability 1 CASE PER SEASON

Product Details

Product Specification

Brand Name HAIHONG Payment Terms L/C, T/T, Western Union, MoneyGram, MoneyGram
Usage Decoration Place of Origin Guangdong, China
Price Negotiable Delivery Time Negotiable
Minimum Order Quantity 1 Packaging Details WOODEN FRAME,IRON FRAME OR CARTON
Color As Picture shown in the detail page Season All season
Supply Ability 1 CASE PER SEASON Name Wind and Snow Resistance certification

Product Description

1. Test report for Q235 16mm thickness steel plate 

 

 

2. Test report for Galvanized Steel Tube

 

 

 

3. Test report for Steel Angel

4. Test report for Q235 steel plate 14mm

 

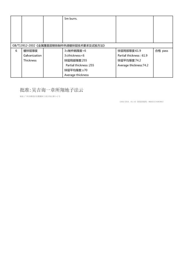
5. Test report for Hot-Dip Galvanized Angle iron

 

6. Test report for Hot-Dip Galvanized Round Steel

 

 

 

 

 

 

 

 

 

 

Guangzhou Haihong Arts & Crafts Factory

Manufacturer
  • Annual Revenue: 1,000,000,000-2,000,000,000
  • Employees: 501~1000
  • Year Established: 2004